коаксиальный переключатель DC - 1GHz 10W со средней мощностью
Коаксиальный Переключатель Можно Да. Связанные Принято Напряжение Или Компьютеры Программируемый А Да. Привыкнуть В Переключить В микроволновой цепи. В зависимости от количества выходных портов они включают SPDT - SP8T, 2PDT, 2P3T и Transfer.
Коаксиальный переключатель SWT - TKC - 1000 DPDT # 39; средняя мощность 10 Вт, частотный диапазон DC - 1 ГГц, который характеризуется низкими потерями при вставке, низким VSWR и отличной широкополосной производительностью.
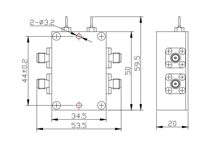
Механические спецификации
| Соединитель | булавка | Жилье | Диапазон температур | Размер | Вес |
| Золотое латунное покрытие | Бронирование бериллием | Алюминий, анодное окисление | Рабочая температура: - 10°C ~ + 50°C Нерабочая температура: - 40°C ~ + 70°C | 53.5×59.5×20 мм | 80 г |
Соответствие RoHS: Да
Электрические спецификации
| Тип | Частотный диапазон (ГГц) | отношение стоячей волны к максимальному напряжению | Вставить потери (dB) | Степень изоляции (dB) |
| SWT - TKC - 1000 | DC - 1 | 1.4. | 0,75 | 50 |
| Номинальное сопротивление | & Amp; НБСП; Пятьдесят.О, о, о |
| Средняя мощность | 10 Вт |
| Рабочее напряжение | + 12 В |
| ток катушки | 100 мА |
| Время переключения | Минимум 10 мс |
| Тип разъема | СМА (F) |
Заметки:
Допуск на размер ±2%





Nanjing Shinewave Technology Co., Ltd..é criada no ano de 2008,e S uma empresa especializada na pesquisa e desenvolvimento, produção e vendas de RF microondas ativo, componentes passivos e subsistemas. Com base na equipe de pesquisa acadêmica da Universidade de Nanjing de Aeronáutica e Astronáutica, nossa empresa estabeleceu uma equipe inovadora de pesquisa e desenvolvimento com talentos de doutor e mestrado, e constantemente atrai talentos proeminentes na indústria e estudantes proeminentes de universidades famosas para expandir a equipe.
Nossa empresa tem cerca de 20 patentes de invenção autorizadas na antena reconfigurável ativa, passiva do comutador de fase do dispositivo, etc. Os campos de aplicação estão relacionados a contramedidas eletrônicas de radar, aeroespacial, navegação e outros campos militares. Ao mesmo tempo, também é amplamente utilizado em comunicação de microondas, comunicação móvel e outros produtos do mercado civil, cobrindo componentes e antenas de dispositivos de microondas RF, entre os quais, produtos ativos incluem amplificador de potência de microondas de estado sólido de alta potência, módulo transceptor de amplificador de baixo ruído, conversor de frequência para cima e para baixo, fonte de frequência, etc. Os produtos passivos incluem filtro de microondas, divisor de potência duplexador, acoplador, sintetizador de potência, etc. Os produtos de antena são baseados principalmente em várias antenas de chifre de alto ganho, que cobre VHF, UHF, L-banda, S-banda, C-banda, X-banda, Ku banda e assim por diante.
Nossa empresa está localizada na bela capital antiga de seis dinastias, em Nanjing Yuhuatai District Big Data Industrial Base. Para atender às necessidades especiais dos clientes e requisitos de índice mais elevados, além dos produtos padrão, também fornecemos aos clientes métodos de desenvolvimento de produtos personalizados, dedicados a fornecer aos clientes produtos e serviços rápidos e de alta qualidade.








1.As nossas vantagens
Contando com a equipe de pesquisa acadêmica de universidades famosas, a empresa estabeleceu uma equipe inovadora de pesquisa e desenvolvimento com doutorado e mestrado' s talentos de graduação, e continua a absorver excelentes talentos na indústria e estudantes proeminentes de universidades famosas para fortalecer a equipe. A empresa possui cerca de vinte patentes de invenção autorizadas em dispositivos de microondas, circuitos e antenas. O campo de aplicação envolve radar, contramedidas eletrônicas, aeroespacial e aviação.
2.Sobre a Personalização
Nós podemos personalizar de acordo com o cliente' s requisitos, basta dizer-nos a frequência, ganho, poder.
3.Sobre o Tempo de Entrega
Os produtos personalizados são normalmente 4-6 semanas, se em estoque 1-2 semanas podem ser enviados.
4.Como a qualidade é garantida
1)Controle de qualidade: Testando rigorosamente matérias-primas e o processo de produção para atender aos padrões.
2)Testes de desempenho: realização de testes ambientais e de funcionalidade para verificar a saída de potência e outras métricas-chave.
3)Garantia e suporte: Fornecer um período de garantia e suporte técnico para resolver problemas durante o uso.
4)Auditorias de fábrica: Realizando regularmente auditorias de qualidade internas e de terceiros.
5.Método de entrega
Se você tem seu próprio remetente de frete, nós podemos enviar para o seu remetente de frete designado, se não, nós podemos escolher a maneira mais conveniente de entrega, tais como DHL, Fedex, frete aéreo, frete marítimo.
6.Método de pagamento
L/C, D/A, D/P, T/T, Western union, Moneygram, Paypal, Alipay, Banco.
