Russian
Индивидуальный 18,0 ГГц - 26,5 ГГц RF-волноводный переключатель для микроволновых систем, оборудования связи
Основные особенности
Диапазон частот
Вставить потери
Изоляция
Время переключения
Электрические спецификации
Напряжение
В настоящее время
Рабочая температура
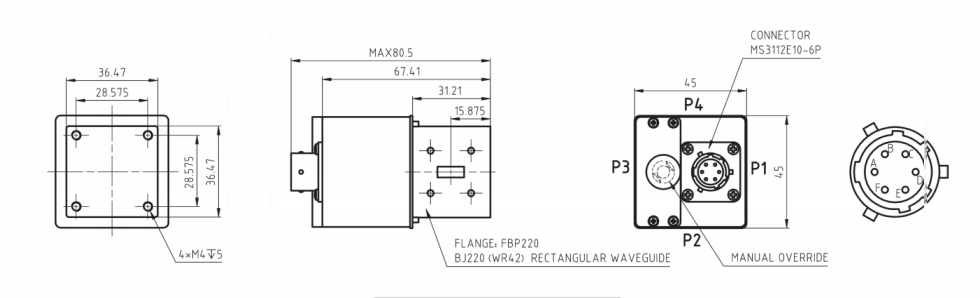
Соединитель



ДОБАВЛЯТЬ:Комната 410, 4-й этаж, здание 2, промышленная база больших данных, № 180, проспект программного обеспечения, район Юуатай, Нанкин, Цзянсу, Китай
+86 17302591509
+86 13951873509




