Russian
Подгонянный модуль усиления 1000-4000MHz 0.7dB Шумная фигура Усиление низкого уровня шума для беспроводной связи
Модуль индивидуального усилителя для беспроводной связи 1000 - 4000 МГц 0,7 дБ с коэффициентом шума


Нормы
Типичный & НБСП; Производительность & НБСП; При + 24VDC + 25°C; и НБСП; In &; НБСП; A) и НБСП; Система 50 Омега.
| РЧ / Электричество | |||||
| Параметры | МИН | Тип. | Макс. | Единицы измерения | |
| Параметры ввода / вывода | |||||
| Диапазон частот | Тысяча. | Четыре тысячи. | МГц | ||
| Усиление | Пятнадцать. | ДБ | |||
| Получение плоскости | ±2 | ДБ | |||
| Коэффициент шума | 0,7 | Один. | ДБ | ||
| Input VSWR | 2.3: 1 | ||||
| Output VSWR | 2: 1 | ||||
| Экспорт P1dB | Пятнадцать. | Пятнадцать. | ДБм | ||
| Прочее | |||||
| Рабочее напряжение | Двенадцать. | Пятнадцать. | V. | ||
| В настоящее время | 180. | Мама! | |||
| ММашины | ||
| ППараметры | V.Регион | УНИТ |
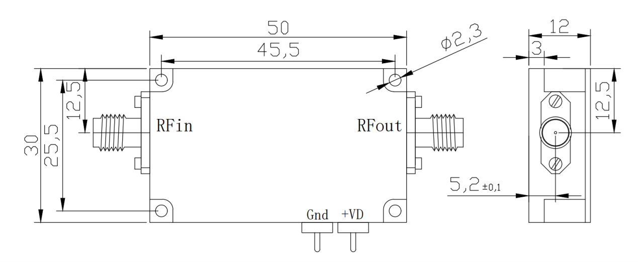
| Размер (ширина X глубина X высота) | 66 × 30 × 12 | Мм |
| Радиочастотный соединитель | СМА, женщины | - Да. |
| Энергоснабжение | питающий конденсатор | - Да. |
| ЕОкружающая среда | |||
| ППараметры | МВ | МАКС | УНИТ |
| Рабочая температура. | - 40 | Шестьдесят. | °C |
Общий обзор Измерения График


ДОБАВЛЯТЬ:Комната 410, 4-й этаж, здание 2, промышленная база больших данных, № 180, проспект программного обеспечения, район Юуатай, Нанкин, Цзянсу, Китай
+86 17302591509
+86 13951873509





