Russian
Усилитель мощности 10000-13000MHz 20 Вт для промышленной & Коммерческое использование
Примечания
Нормы
Типичная производительность в системах + 28VDC + 25oC и 50 Ом.
RF / Электричество | ||||
Параметры | МИН | Тип. | Макс. | Единицы измерения |
Эксплуатация и; НБСП; Частота | Десять тысяч. | МГц | ||
РЧ Ввод | 0 | Три. | Пять. | ДБм |
Суббота Электричество Экспорт | Сорок два. | 43. | Сорок пять. | ДБм |
Электричество Усиление& Amp; NBSP & АМП; НБСП;Плотность | ±1.5. | ДБ | ||
Ложный сигнал | - 50 | ДБ | ||
Введите & НБСП; ВСВР | 1.8. | Два. | ||
Рабочее напряжение | 28. | Тридцать. | Тридцать два. | ВДК |
Сопротивление | Пятьдесят. | А | ||
В настоящее время | Три. | А. | ||
ММашины | ||
ППараметры | V.Регион | УНИТ |
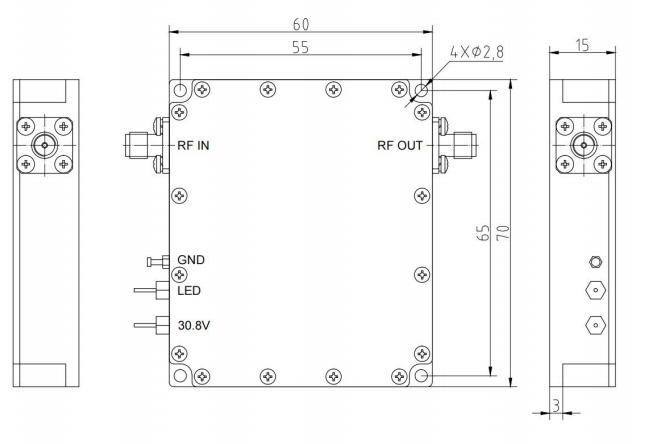
Размер (Л Х В Х& Amp; NBSP & АМП; НБСП;Н) | Пятнадцать. | Мм |
РЧ& Amp; NBSP & АМП; НБСП;Соединитель (Ввод Экспорт) | - Да. | |
Постоянный ток / Контроль Соединитель | - Да. | |
Охлаждение | А | - Да. |
Монтаж | Принято Дырка | - Да. |
Вес | 1.5. | Килограммы |
ЕОкружающая среда / ПЗащита | |||
ППараметры | МВ | МАКС | УНИТ |
Операция Временные работники. (Температура корпуса) | - 40 | + 60 | °C |
Влажность Сфера охвата | 0 - 100 | В процентах | |
Температура отсечки | + Девяносто. | °C | |
I. СОДЕРЖАНИЕНПУТ/ О& Quot; UTPUT & Quot; НБСП;Сектор | |||
А.Усилитель ССоединительТТипА. | - Да. | ||
ТРиад СМожно ПИскусство ННомерА. | - Да. | ||
ННомер | Тип интерфейса | ДПримечания | |
Х1 | РЧ В | ||
Х2 | РЧ Уходи! | ||
Х3 | Контроль Интерфейс | ||


ДОБАВЛЯТЬ:Комната 410, 4-й этаж, здание 2, промышленная база больших данных, № 180, проспект программного обеспечения, район Юуатай, Нанкин, Цзянсу, Китай
+86 17302591509
+86 13951873509





