Russian
Выход 2000-6000MHz 10dBm P-1dB: Усилитель с низким уровнем шума для промышленных и Коммерческие приложения
ДПримечания
Е
Нормы
Типичный Спектакль В +Двенадцать.V Постоянный ток + 25°CА, А В А. 50О С Система.
Параметры | МИН | Тип. | Макс. | Единицы измерения |
Операция Частота | 2000 год | Шесть тысяч. | МГц | |
Ввод радиочастот | 0 | ДБм | ||
ДБ Экспорт | Десять. | ДБм | ||
Усиление | 33. | Тридцать шесть. | ДБ | |
1.5. | Три. | ДБ | ||
Коэффициент усиления мощности Плотность | ±Два. | ДБ | ||
Введите & НБСП; ВСВР | 2.0 | |||
Рабочее напряжение | Двенадцать. | Пятнадцать. | V Постоянный ток | |
Сопротивление ввода - вывода | Пятьдесят. | А | ||
Электрический ток | 0,2 | А. |
ППараметры | V.Регион | УНИТ |
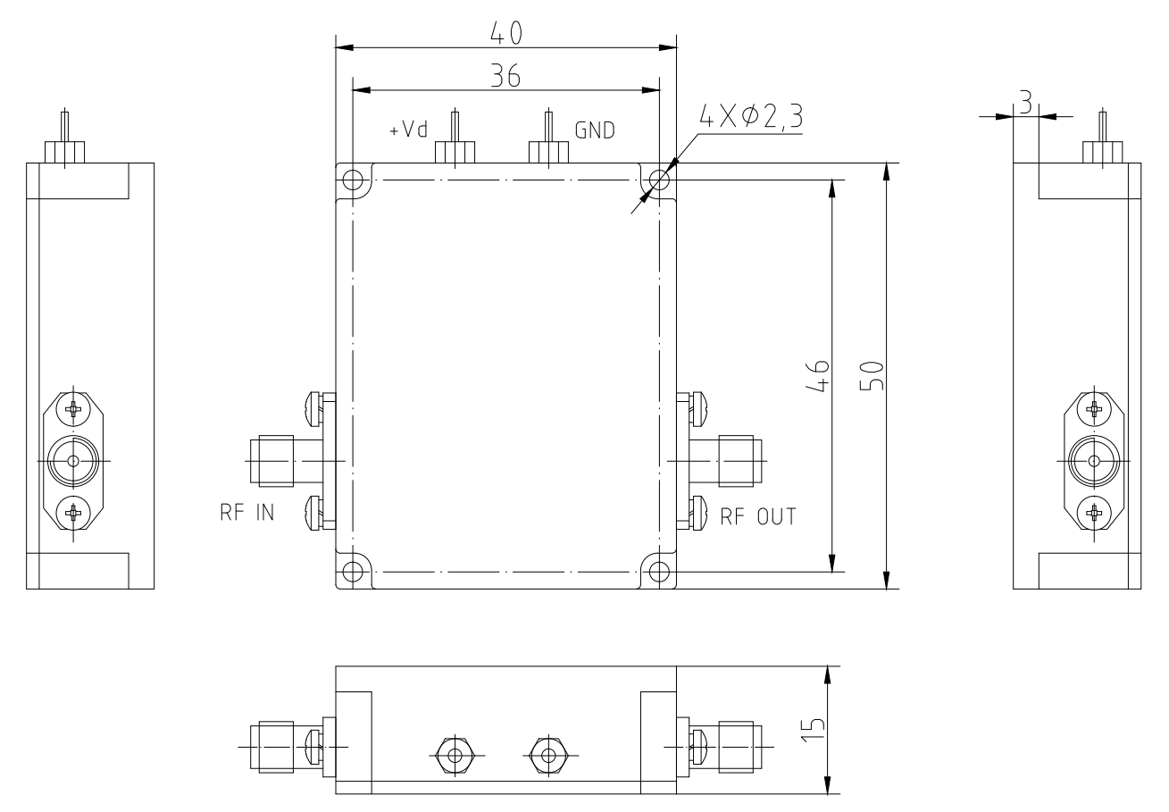
Размер Н | Мм | |
РЧ Соединитель Экспорт) | СМА - КФД/ КФД | - Да. |
Соединитель постоянного тока | питающий конденсатор | - Да. |
Охлаждение | Рассмотрим систему охлаждения (не предоставляется) | |
Монтаж | Ф Принято Дырка | - Да. |
Вес | 0,3 | Килограммы |
ППараметры | МВ | МАКС | УНИТ |
Операция Временные работники. | - 2.0 | +Шестьдесят. | °C |
Влажность Сфера охвата | 0 - 95 | В процентах | |
ООбщий обзор ДИзмерения ДРисование


ДОБАВЛЯТЬ:Комната 410, 4-й этаж, здание 2, промышленная база больших данных, № 180, проспект программного обеспечения, район Юуатай, Нанкин, Цзянсу, Китай
+86 17302591509
+86 13951873509





