усилитель мощности S - диапазона 100 - 115 ГГц Psat 16 дБм; НБСП; усилитель мощности
ДПримечания
Модели и; НБСП;СВТ- 1041241015 - 0808 - E1; НБСП;Это усилитель мощности в F - диапазоне с типичным небольшим усилением сигнала 10 дБ, называемым P1 дБ& Amp; НБСП; В диапазоне частот от 100 до 115 ГГц - 15 дБм. Требования к питанию постоянного тока для усилителя + 8ВПостоянный ток/ 250 мА. Конфигурация входного и выходного портов обеспечивает встроенную структуру с волноводом WR - 08 и фланцем UG - 387 / U - M. Другие порты доступны в разных моделях.
| Параметры | Минимальное значение | Типичный | Максимальное значение |
| Частота | 100 ГГц | 115 ГГц | |
| Усиление | 10 дБ | ||
| П1 дБ | + 15 дБм | ||
| ПСуббота | + 16 дБм | ||
| ПВ | 15 дБм | ||
| потеря входного эха | 10 дБ | ||
| потеря выходного эха | 10 дБ | ||
| Напряжение постоянного тока | + 8ВПостоянный ток | + 12 ВПостоянный ток | |
| ток постоянного тока | 250 мА | ||
| Температура | + 25 градусов по Цельсию | ||
| Рабочая температура | 0 °C | + 50 градусов по Цельсию |
Технические характеристики машин:
| Проекты | Нормы |
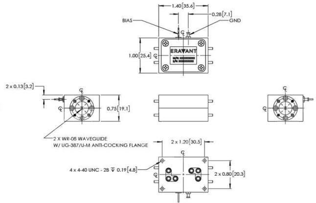
| Ввод | WR - 08 волноводная полоса UG - 387 / U - M предохранительный фланец |
| Экспорт | WR - 08 волноводная полоса UG - 387 / U - M предохранительный фланец |
| Предрассудки | Сварная игла |
| Материалы корпуса | Алюминий |
| Завершено | Золотое покрытие |
| Вес | 1,6 унции |
| Размер | 1.40 дюйма (длина) X 1,00 дюйма (ширина) X 0,75 дюйма (высота) |
| Общий обзор | БГ - SF - 2A |
Механический обзор: & Amp; НБСП;(Все единицы размера - дюймы [мм], если не предусмотрено иное)

·& Amp; НБСП; Все представленные данные были собраны из одной партии образцов. Фактические данные могут варьироваться в зависимости от единицы.
·& Amp; НБСП; Все испытания проводились при температуре корпуса + 25°C.
·& Amp; НБСП; Компания SAGE Millimeter оставляет за собой право изменять предоставленную информацию без дальнейшего уведомления.
·& Amp; НБСП; Превышение указанного абсолютного максимума повлечет за собой повреждение оборудования.
·& Amp; НБСП; Устройство является электростатически чувствительным. При использовании устройства всегда соблюдайте правила ESD.
·& Amp; НБСП; Температура корпуса оборудования не должна превышать + 50ºC. При необходимости используйте подходящий радиатор или вентилятор.




Нанкин Синьбао текнолоджи лтд...Основана в 2008 году, она & # 39; Компания специализируется на разработке, производстве и продаже активных, пассивных компонентов и подсистем радиочастотной микроволновой связи. Опираясь на академическую исследовательскую группу Нанкинского университета аэронавтики и астронавтики, наша компания создала инновационную команду исследований и разработок с докторскими и магистерскими талантами, которая постоянно привлекает талантливых специалистов в отрасли и выдающихся студентов из известных университетов и расширяет свою команду.
Наша компания имеет около 20 патентов на изобретения в таких областях, как активные и пассивные фазеры устройств, которые могут реконструировать антенны. Области применения охватывают такие военные области, как радиолокационная электронная война, аэрокосмическая и навигационная. В то же время он также широко используется в микроволновой связи, мобильной связи и других гражданских рыночных продуктах, охватывающих компоненты и антенны радиочастотных микроволновых устройств, в том числе высокомощные твердотельные микроволновые усилители мощности, низкошумные усилители приемопередатчика, верхние и нижние преобразователи частоты, источники частоты и так далее. Пассивные продукты включают микроволновые фильтры, дуплексные распределители мощности, соединители, синтезаторы мощности и так далее. Продукты антенны в основном основаны на различных высокопроизводительных растровых антеннах, охватывающих VHF, UHF, L - диапазон, S - диапазон, C - диапазон, X - диапазон, Ku - диапазон и так далее.
Наши; Компания расположена в красивой древней столице шести династий; Нанкин Юхуатай район большой промышленной базы данных. Для удовлетворения особых потребностей клиентов и более высоких требований к показателям, в дополнение к стандартным продуктам, мы также предоставляем клиентам индивидуальный подход к разработке продуктов, ориентированный на предоставление клиентам быстрых и качественных продуктов и услуг.








1.Наше преимущество
Опираясь на академические исследовательские группы известных университетов, компания создала инновационную исследовательскую группу с докторами и магистрами; S Степень талантов и постоянно поглощать выдающихся специалистов отрасли и выдающихся студентов известных университетов, чтобы укрепить строительство команды. Компания имеет около 20 патентов на микроволновое оборудование, схемы и антенны. Области применения включают радиолокацию, электронную войну, аэрокосмическую & НБСП;
2.О настройке
Мы можем настроить & # 39 в соответствии с требованиями наших клиентов; s Требования, просто скажите нам частоту, усиление, мощность.
3.О сроках поставки
Индивидуальные продукты обычно занимают 4 - 6 недель, и при наличии запасов их можно отправить в течение 1 - 2 недель.nbsp;
4.Как обеспечить качество
1)Контроль качества: строгая проверка соответствия сырья и производственных процессов стандартам.
2)Тестирование производительности: проведение функциональных и экологических испытаний для проверки выхода мощности и других ключевых показателей.
3)Гарантии и поддержка: Предоставление гарантийного срока и технической поддержки для решения проблем, возникающих в процессе использования.
4)Аудиторская проверка завода: регулярно проводятся внутренние и сторонние проверки качества.
5.Способ поставки
Если у вас есть собственный экспедитор, мы можем отправить его в назначенное вами экспедиторское агентство, и если нет, мы можем выбрать наиболее удобный способ доставки, такой как DHL, Fedex, воздушный или морской транспорт.
6.Способы оплаты
Аккредитивы, акцепты, платежные поручения, телеграфные переводы, денежные переводы Western Union, Moneygram, Paypal, Alipay, Bank.
