Módulo De Comunicación De Banda Ancha De 0,5 - 20ghz P1db 12dbm Amplificador De Bajo Ruido De Comunicación Por Satélite
DExplicación
El Módulo Está Diseñado Específicamente Para Aplicaciones Militares Y Comerciales. Las últimas Tecnologías De Equipos Y; Nbsp; El Método De Diseño Proporciona Alta Densidad De Potencia, Alta Eficiencia Y Lineal En Entornos Pequeños, Ligeros Y De Bajo Consumo De Energía; Nbsp; Paquete.
Normas
Las Especificaciones Están Sujetas A Cambios Sin Previo Aviso. Propiedades Típicas En Sistemas + 28vdc + 25 ° C Y 50 Omega.
| Eléctrico SPECIFICATIONS@25Grados Celsius | ||||
| Parámetros | Min | Típico | Max | Unidades |
| Rango De Frecuencia | 0,5 | 20 | GHz | |
| Pequeña Ganancia De Señal | 22 | DB | ||
| Planitud De La Ganancia De Señal Pequeña | ± 1,5 | DB | ||
| Coeficiente De Ruido | 3,5 | DB | ||
| Potencia De Salida @ P1db | + 12 | DBm | ||
| IP3 | DBm | |||
| Vswr | 1,5 | 2 | Tasa | |
| Fuente De Alimentación De Corriente Continua | + 5 | Volt | ||
| Actual | 200 | Mamá | ||
| Calificación Ambiental | ||||
| Parámetros | Min | Típico | Max | Unidades |
| Potencia Máxima De Entrada | + 15 | DBm | ||
| Temperatura De Trabajo | - 40 | + 60 | Grados Celsius | |
| Temperatura No Operativa | - 40 | + 85 | Grados Celsius | |
| Humedad Relativa (sin Condensación) | 95 | Porcentaje | ||
| Altitud (mil - STD - 810f) | 10.000 | 30.000 | Pies | |
| Impacto / Vibración (mil - STD - 810f) | Hueso De Aire | |||
| Especificaciones Mecánicas | |||
| Parámetros | Valor | Restricciones | Unidades |
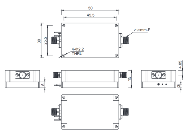
| Tamaño | 50 * 30 * 15 | Max | Mm |
| Peso | 200 | Max | Gramos |
| Entrada Del Conector De Radiofrecuencia | 2,92 Mm - F | ||
| Salida Del Conector De Radiofrecuencia | 2,92 Mm - F | ||
| Resistencia | 50 | Ohm | |





Nanjing Shinewave Technology Co., Ltd..é criada no ano de 2008,e S uma empresa especializada na pesquisa e desenvolvimento, produção e vendas de RF microondas ativo, componentes passivos e subsistemas. Com base na equipe de pesquisa acadêmica da Universidade de Nanjing de Aeronáutica e Astronáutica, nossa empresa estabeleceu uma equipe inovadora de pesquisa e desenvolvimento com talentos de doutor e mestrado, e constantemente atrai talentos proeminentes na indústria e estudantes proeminentes de universidades famosas para expandir a equipe.
Nossa empresa tem cerca de 20 patentes de invenção autorizadas na antena reconfigurável ativa, passiva do comutador de fase do dispositivo, etc. Os campos de aplicação estão relacionados a contramedidas eletrônicas de radar, aeroespacial, navegação e outros campos militares. Ao mesmo tempo, também é amplamente utilizado em comunicação de microondas, comunicação móvel e outros produtos do mercado civil, cobrindo componentes e antenas de dispositivos de microondas RF, entre os quais, produtos ativos incluem amplificador de potência de microondas de estado sólido de alta potência, módulo transceptor de amplificador de baixo ruído, conversor de frequência para cima e para baixo, fonte de frequência, etc. Os produtos passivos incluem filtro de microondas, divisor de potência duplexador, acoplador, sintetizador de potência, etc. Os produtos de antena são baseados principalmente em várias antenas de chifre de alto ganho, que cobre VHF, UHF, L-banda, S-banda, C-banda, X-banda, Ku banda e assim por diante.
Nossa empresa está localizada na bela capital antiga de seis dinastias, em Nanjing Yuhuatai District Big Data Industrial Base. Para atender às necessidades especiais dos clientes e requisitos de índice mais elevados, além dos produtos padrão, também fornecemos aos clientes métodos de desenvolvimento de produtos personalizados, dedicados a fornecer aos clientes produtos e serviços rápidos e de alta qualidade.








1.As nossas vantagens
Contando com a equipe de pesquisa acadêmica de universidades famosas, a empresa estabeleceu uma equipe inovadora de pesquisa e desenvolvimento com doutorado e mestrado' s talentos de graduação, e continua a absorver excelentes talentos na indústria e estudantes proeminentes de universidades famosas para fortalecer a equipe. A empresa possui cerca de vinte patentes de invenção autorizadas em dispositivos de microondas, circuitos e antenas. O campo de aplicação envolve radar, contramedidas eletrônicas, aeroespacial e aviação.
2.Sobre a Personalização
Nós podemos personalizar de acordo com o cliente' s requisitos, basta dizer-nos a frequência, ganho, poder.
3.Sobre o Tempo de Entrega
Os produtos personalizados são normalmente 4-6 semanas, se em estoque 1-2 semanas podem ser enviados.
4.Como a qualidade é garantida
1)Controle de qualidade: Testando rigorosamente matérias-primas e o processo de produção para atender aos padrões.
2)Testes de desempenho: realização de testes ambientais e de funcionalidade para verificar a saída de potência e outras métricas-chave.
3)Garantia e suporte: Fornecer um período de garantia e suporte técnico para resolver problemas durante o uso.
4)Auditorias de fábrica: Realizando regularmente auditorias de qualidade internas e de terceiros.
5.Método de entrega
Se você tem seu próprio remetente de frete, nós podemos enviar para o seu remetente de frete designado, se não, nós podemos escolher a maneira mais conveniente de entrega, tais como DHL, Fedex, frete aéreo, frete marítimo.
6.Método de pagamento
L/C, D/A, D/P, T/T, Western union, Moneygram, Paypal, Alipay, Banco.
