Russian
Усилитель мощности 12,9-13,1 ГГц 80 Вт для промышленных и Коммерческие системы РФ
ДПримечания
Е
Нормы
Типичный + 28 ВО
РЧ / Электричество | ||||
Параметры | МИН | Тип. | Макс. | Единицы измерения |
Операция Частота | ГГц | |||
Ввод радиочастот | 0 | ДБм | ||
Электричество и; НБСП; Усиление | 49. | ДБ | ||
Д | 49. | ДБм | ||
Три. | ДБ | |||
Сопротивление ввода / вывода | Пятьдесят. | О, о, о | ||
Input VSWR | 1.3. | |||
Ложный сигнал | - 55. | ДБc | ||
I. СОДЕРЖАНИЕЭкспорт Четыре.Два. З | - 25. | ДБc | ||
Рабочее напряжение | 28. | V Постоянный ток | ||
Потребление энергии | 700 | В | ||
ММашины | ||
ППараметры | V.Регион | УНИТ |
Размер (ширина X глубина X высота) |
| Мм |
Радиочастотный разъем (вход / выход) | - Да. | |
Контроллер | - Да. | |
Охлаждение | - Да. | |
Вес | Восемь. | Килограммы |
ЕОкружающая среда / ПЗащита | |||
ППараметры | МВ | МАКС | УНИТ |
Операция Временные работники. | 0 | + 55 | °C |
0 | В процентах | ||
А. | + 80 | °C | |
Меры защиты | |||
I. СОДЕРЖАНИЕНПУТ/ ОЭкспорт Панель | |||
А.Усилитель ССоединитель ТТипА. | - Да. | ||
ТРиад СМожно ПИскусство ННомерА. | - Да. | ||
ННомер | Тип интерфейса | ДПримечания | |
Х1 | СМА - ФК | ||
Х2 | СМА - ФК | ||
Х3 | СМА - ФК | ||
Х4 | Р75 | ||
Определение разъема | ||
А.Усилитель ССоединитель ТТипА. | ||
ТРиад СМожно ПИскусство ННомерА. | - Да. | |
ННомер | Определения | ДПримечания |
Один. | & Amp; НБСП; ( | |
Два. | ||
Три. | ВНД | ВНД |
Четыре. | & Amp; НБСП; ( | |
Пять. | ||
Шесть. | ( | |
Семь. | ||
Восемь. | ||
Девять. | ||
Десять. | ||
Двенадцать. | + 28 В( | |
Тринадцать. | + 28 В( | |
Четырнадцать. | + 28 В( | |
Пятнадцать. | + 28 В( | |
Шестнадцать. | ВНД | ВНД |
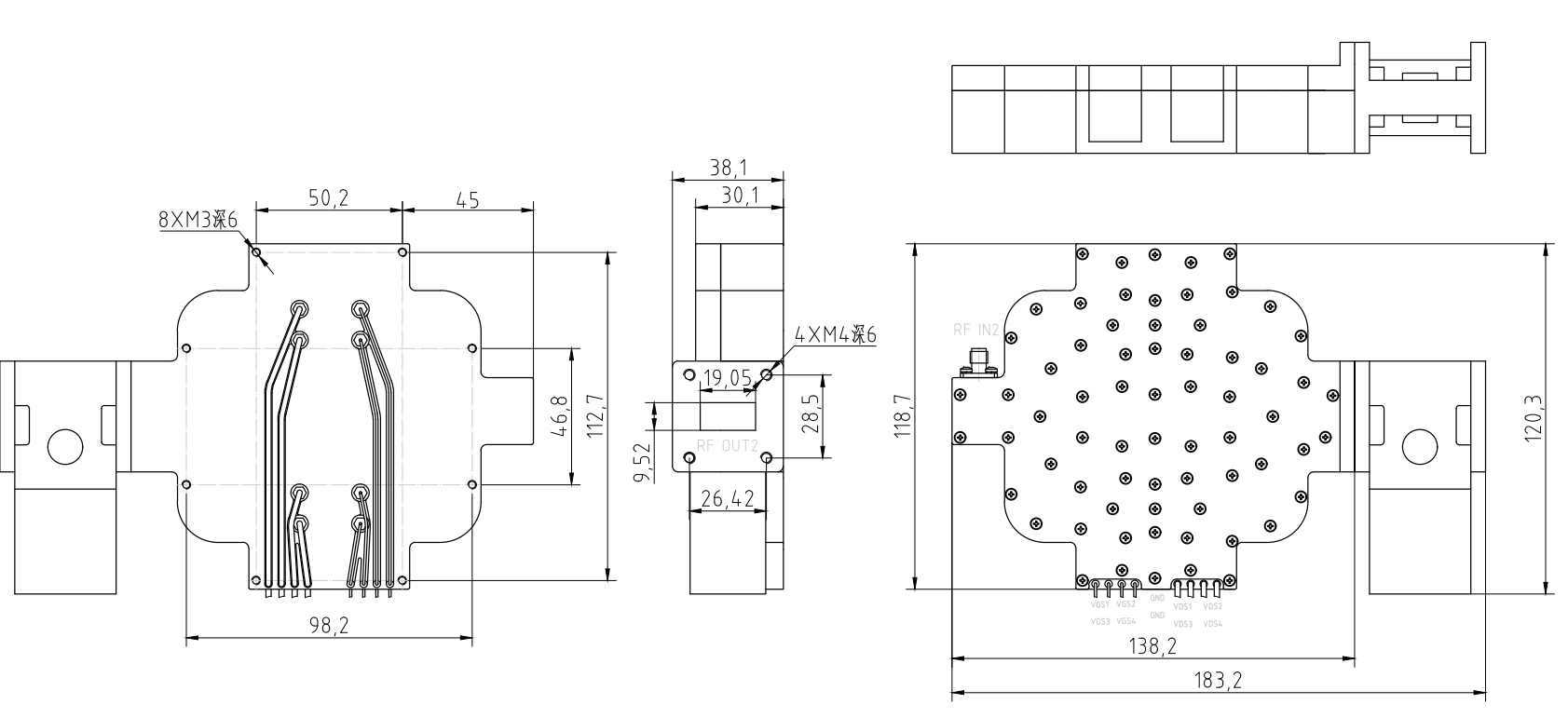
ООбщий обзор ДИзмерения ДРисование


& Amp; NBSP & АМП; НБСП;









